2001 Hyundai Elantra Wiring Diagram, Hyundai Elantra Wiring Diagrams 1998 to 2016, 8.63 MB, 06:17, 15,957, John Amahle, 2018-11-17T16:37:24.000000Z, 19, 2001 Hyundai Elantra Radio Wiring Diagram For Your Needs, www.dentistmitcham.com, 1404 x 1200, jpeg, hyundai elantra wiring diagram radio 2001 forums needs, 20, 2001-hyundai-elantra-wiring-diagram, Anime Arts
Read wiring diagrams from bad to positive in addition to redraw the circuit like a straight line. 2003 chevy silverado 7 pin trailer 2004 wiring diagram red 1500 save gm truck 04 chevrolet tahoe diagrams 2002 2007 gmc factory problem suburban 009 2006 2500hd. Fuse silverado diagram chevy box 2000 2003 2004 2007 1999 panel chevrolet mk1 gmt800 generation wiring sensor gmc sierra o2. On 2004 silverado cigarette lighter has no voltage, how to find fuse.
I've checked all the fuses. On 2004 silverado cigarette. Anything from 2001 to 2019 trucks just be specific on what you need. I will ignore any post that wants every single diagram of their car. If you have a specific electrical issue let. Cigarette lighter in center console, removing and installing (vehicles up to 10. 04) special tools, testers and auxiliary items required. Torque wrench v. a. g 1783; Wiring diagram 2004 radio chevy stereo tahoe kenwood amplifier door wire. Pin on auto electrical.
I have a 2004 chevy silverado 1500 4x4 which fuse is for the cigerette lighter
[DIAGRAM] Cig Lighter Wiring Diagram 2004 Monte Carlo FULL Version HD Quality Monte Carlo
Tail Light Wiring For Silverado 1500 2004 | schematic and wiring diagram
2004 Silverado Wiring Diagram Pdf | Free Wiring Diagram

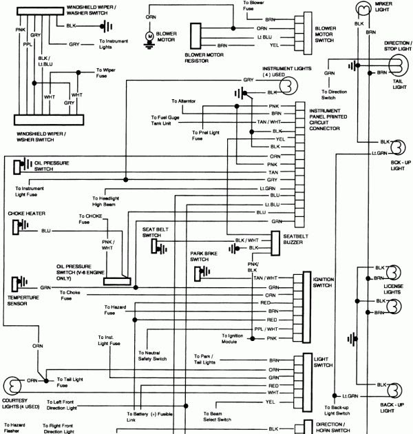
2004 Chevy Silverado Tail Light Wiring Diagram - Collection - Wiring Diagram Sample

Cigarette Lighter Wiring Diagram

Trailer Wiring Diagram For 2004 Chevy Silverado | Trailer Wiring Diagram

I have a 2004 Silverado 2500hd lly duramax. Can I get a wiring diagram for the bcm. There is no

Do you have a wiring diagram for a 2004 chevy silverado crew cab 1500 with a 350 for stock radio

2002 Chevy Silverado Cigarette Lighter Fuse / 2006 Chrysler 300 Cigarette Lighter Fuse - Cars
